Une erreur est survenue
Soupape d'échappement pour moteur Briggs & Stratton N° 211 119
Réf : MATAA06145
Soupape pour moteur Briggs & Stratton
Remplace N°origine : 211 119
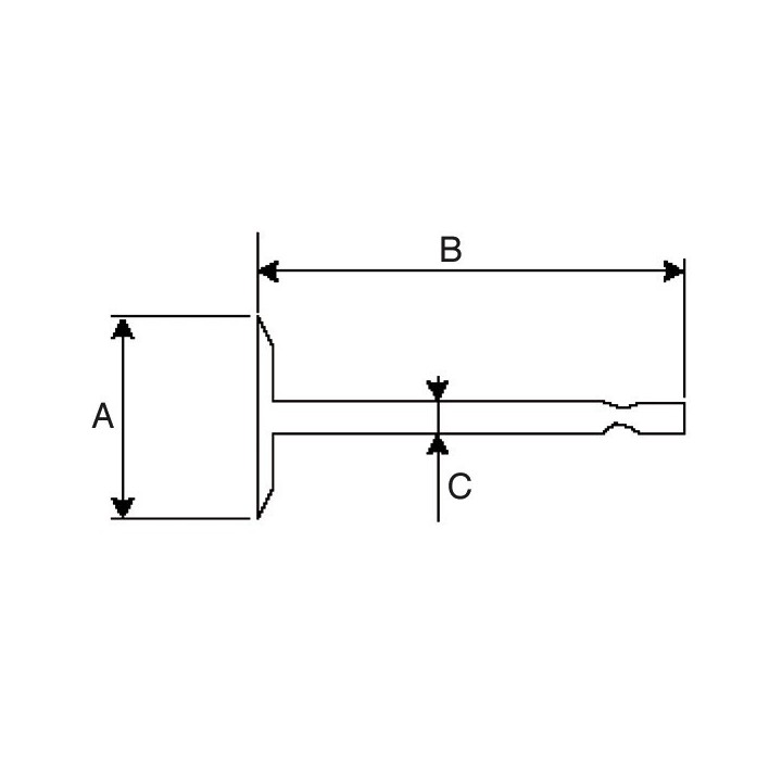
- Dimension A : 25,5 mm
- Dimension B : 93,3 mm
- Dimension C : 6,3 mm
Pour séries : 100 200, 100 999, 130 200 et 130 900
- Diamètre de la tige : 6,2 mm
- Diamètre de la base : 25,5 mm
- Hauteur totale : 98 mm
- Profondeur de la gorge : 4,5 mm
-
Hauteur (mm)98
-
Diamètre tige en mm6,2
-
Diamètre base en mm25,5
-
Profondeur de la gorge en mm4,5





